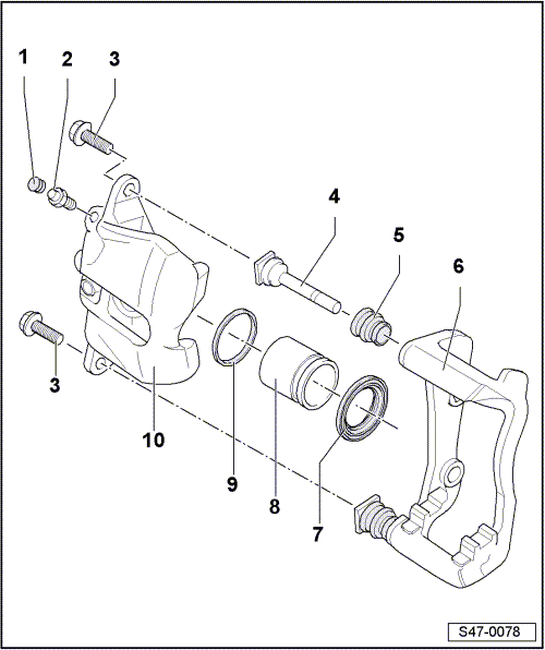
Montageübersicht - Bremssattel vorn
Montageübersicht - Bremssattel PC57 und C60

Bremssattelkolben aus- und einbauen
Bremssattelkolben PC57 aus- und einbauen
Benötigte Spezialwerkzeuge, Prüf- und Messgeräte sowie Hilfsmittel

Ausbauen
- Kolben mit Druckluft aus dem Bremssattel ausdrücken.

Holzplatte in den Schacht legen, damit der Kolben nicht beschädigt wird.

- Dichtring mit Montagekeil 3409 herausnehmen.
Beim Ausbau darauf achten, dass die Oberfläche des Zylinders nicht beschädigt wird.
Einbauen
- Die Flächen von Kolben und Dichtring nur mit Spiritus reinigen und anschließend trocknen.
- Den Kolben und den Dichtring vor dem Einsetzen dünn mit der Montagepaste G 052 150 A2 bestreichen.
- Den Dichtring in den Bremssattel einsetzen.

- Die Schutzkappe mit der äußeren Dichtlippe auf den Kolben setzen.

- Innere Dichtlippe mit dem Montagekeil 3409 in die Nut des Zylinders einsetzen.
Den Kolben dabei vor den Bremssattel halten.

- Den Kolben mit Kolbenrücksetzvorrichtung in den Bremssattel drücken.
Die äußere Dichtlippe der Schutzkappe springt dabei in die Nut am Kolben.

Bremssattel hintenVW Passat Reparaturanleitung > Motor-Kurbeltrieb,
Kolben: Zylinderblock
Riemenscheibenseite
Montageübersicht - Keilrippenriementrieb
Montageübersicht
- Keilrippenriementrieb, Fahrzeuge ohne Klimakompressor
Schraube
ersetzen
150 Nm +180º
zum Lösen und Festziehen Gegenhalter -T10475- verwenden
Zerstörungsgefahr
des Motors durch verstellte Steuerzeiten.Kurbelwelle nicht ...