Montageübersicht - Bremskraftverstärker/Hauptbremszylinder
Montageübersicht - Bremskraftverstärker/Hauptbremszylinder, Linkslenker
Nur neue Bremsflüssigkeit nach VW-Norm (VW 501 14) verwenden.

- bei Störungen komplett ersetzen (vorher das Unterdrucksystem für Bremskraftverstärkung prüfen )
- aus- und einbauen
Verschraubungsreihenfolge:

Montageübersicht - Bremskraftverstärker/Hauptbremszylinder, Rechtslenker
Nur neue Bremsflüssigkeit nach VW-Norm (VW 501 14) verwenden.

- bei Störungen komplett ersetzen (vorher das Unterdrucksystem für Bremskraftverstärkung prüfen )
Bremslichtschalter aus- und einbauen
Bremslichtschalter aus- und einbauen, Linkslenker
Ausbauen
Bei Fahrzeugen mit Turbo-Dieselmotor:
- Luftführungsschlauch vom Luftfiltergehäuse ausbauen.
Bei Fahrzeugen mit Bi-Turbo-Dieselmotor:

- Luftführungsschlauch -2- und Luftfiltergehäuse -1- ausbauen.

Fortsetzung für alle Fahrzeuge:
- Elektrische Steckverbindung -2- vom Bremslichtschalter -F--1- trennen.
- Schraube -3- herausdrehen.
- Bremslichtschalter -F--1- unten vom Hauptbremszylinder abziehen.
Einbauen
Der Einbau erfolgt in umgekehrter Reihenfolge. Dabei Folgendes beachten:

- Es ist darauf zu achten, dass der Bremslichtschalter -F--1- richtig an der Kante -Pfeil- vom Hauptbremszylinder anliegt.
Anzugsdrehmoment

Bremslichtschalter aus- und einbauen, Rechtslenker
Ausbauen
- Stecker -2- am Bremslichtschalter-1- entriegeln und abziehen.
- Schraube -Pfeil- herausdrehen.
- Bremslichtschalter-1-vom Hauptbremszylinder abnehmen.
Einbauen
Der Einbau erfolgt in umgekehrter Reihenfolge. Dabei Folgendes beachten:

- Darauf achten, dass der Bremslichtschalter -F--1- richtig an der Kante -Pfeil- vom Hauptbremszylinder anliegt.
Anzugsdrehmomente

Hauptbremszylinder aus- und einbauen
Hauptbremszylinder aus- und einbauen, Linkslenker
Benötigte Spezialwerkzeuge, Prüf- und Messgeräte sowie Hilfsmittel


Ausbauen:
- Bei Fahrzeugen mit codiertem Radio Codierung beachten, ggf. fragen.
- Batterie abklemmen.
Batterie im Motorraum
- Batterie ausbauen.
- Batterieträger ausbauen.
Bei Fahrzeugen mit Turbo-Dieselmotor:

- Luftführungsschlauch vom Luftfiltergehäuse ausbauen.
Bei Fahrzeugen mit Bi-Turbo-Dieselmotor:

- Luftführungsschlauch -2- und Luftfiltergehäuse -1- ausbauen.
Fortsetzung für alle Fahrzeuge:
- Ausreichend nicht fasernde Lappen im Bereich des Motors und des Getriebes auslegen.

- So viel Bremsflüssigkeit wie möglich mit dem Bremsen- Füll- und Entlüftungsgerät -VAS 5234- aus dem Bremsflüssigkeitsbehälter absaugen.
Bei Fahrzeugen mit Schaltgetriebe:

- Den Nachlaufschlauch -1- für Kupplungsgeberzylinder abziehen, mit dem Verschlusswerkzeug -T10249- verschließen und hochbinden oder den Nachlaufschlauch -1- für Kupplungsgeberzylinder mit einem handelsüblichen Werkzeug, z. B. Hazet 4590 abklemmen und dann abziehen.
Fortsetzung für alle Fahrzeuge:

- Elektrische Steckverbindungen vom -3-Warnkontakt für Bremsflüssigkeitsstand -F34-, falls vorhanden vom -2-Unterdruckgeber -G608- und vom -1-Bremslichtschalter -F- abziehen.

- Torx-Schraube -1- herausschrauben und dann den Bremsflüssigkeitsbehälter -2- aus den Dichtungsstopfen ziehen.

- Die Bremsleitungen -1- am Hauptbremszylinder abschrauben, Bremsleitungen mit Verschlussstopfen aus Reparatursatz Teilenummer 1H0 698 311 A verschließen.
- Die Muttern -2- von dem Hauptbremszylinder abschrauben.
- Wärmeschutzblech, falls vorhanden, abnehmen.
- Hauptbremszylinder vorsichtig aus Bremskraftverstärker entnehmen.
- Bremslichtschalter -F- vom Hauptbremszylinder abschrauben.
Einbauen
- Der Einbau erfolgt in umgekehrter Reihenfolge.
Beim Einbau sind folgende Punkte besonders zu beachten:
- Beim Zusammensetzen des Hauptbremszylinders mit dem Bremskraftverstärker, auf richtigen Sitz der Druckstange im Hauptbremszylinder achten.
Die Dichtungen müssen sich im Nachlaufschlauch für Kupplungsgeberzylinder befinden.
- Bremsanlage entlüften.
Anzugsdrehmomente

Hauptbremszylinder aus- und einbauen, Rechtslenker
Hinweis
Bei Beanstandungen zur Bremskraftverstärkung zuerst das Unterdrucksystem für Bremskraftverstärkung prüfen

Benötigte Spezialwerkzeuge, Prüf- und Messgeräte sowie Hilfsmittel
Einbauort vom Hauptbremszylinder im Rechtslenker:
Ausbauen
- Bei Fahrzeugen mit codiertem Radio Codierung beachten, ggf. fragen.

Fahrzeuge mit Schaltgetriebe:
- Falls vorhanden, die Wärmeschutzmanschette ausbauen.
- Dazu die Klemmscheibe -4- an der Stirnwand abbauen.
- Die Druckknöpfe -1- bis -3- an der Wärmeschutzmanschette öffnen.
- Unterdruckschlauch Bremskraftverstärker abziehen

- Ausreichend nicht fasernde Lappen im Bereich des Motors auslegen.
- Nachlaufschlauch -2- für den Kupplungsgeberzylinder -3- am Bremsflüssigkeitsbehälter -4- abziehen.
- Nachlaufschlauch -2- für den Kupplungsgeberzylinder -3- mit Verschlusswerkzeug -T10249--1- oder mit den Schlauchklemmen bis 25 mm -3094- verschließen.
- Nachlaufschlauch -2- hochbinden.
Fortsetzung für alle Fahrzeuge:
- So viel Bremsflüssigkeit wie möglich mit dem Bremsen- Füll- und Entlüftungsgerät -VAS 5234- aus dem Bremsflüssigkeitsbehälter absaugen.

- Falls vorhanden, das Wärmeschutzblech -1- abbauen.
- Dazu die Schraube -3- herausdrehen.
- Wärmeschutzblech -1- aus den Aufnahmen -Pfeile- am Bremsflüssigkeitsbehälter -2- nach oben abziehen.

- Stecker -2- am Bremslichtschalter -F--1- entriegeln und abziehen.

- Die elektrische Steckverbindung -2- für den Warnkontakt für Bremsflüssigkeitsstand -F34- am Bremsflüssigkeitsbehälter -1- entriegeln und abziehen.

- Spreizniet -3- in -Pfeilrichtung- herausziehen.
- Bremsflüssigkeitsbehälter -1- nach oben und nach rechts vom Hauptbremszylinder -2- abziehen.

- Bremsleitungen -2- am Hauptbremszylinder -1- abschrauben.
- Bremsleitungen mit den Verschlussstopfen aus dem Reparatursatz Teilenummer 1H0 698 311 A verschließen.
- Muttern -Pfeile- abschrauben.
- Wärmeschutzblech -3- abnehmen.
- Den Hauptbremszylinder vorsichtig aus dem Bremskraftverstärker herausnehmen.
Einbauen
Der Einbau erfolgt in umgekehrter Reihenfolge. Dabei Folgendes beachten:
- Beim Zusammensetzen des Hauptbremszylinders mit dem Bremskraftverstärker, auf richtigen Sitz der Druckstange im Hauptbremszylinder achten.
- Beim Zusammensetzen des Hauptbremszylinders mit dem Bremskraftverstärker, auf richtigen Sitz der Dichtung achten.
- Auf den richtigen Sitz der Dichtstopfen im Hauptbremszylinder achten.
- Vor dem Eindrücken des Bremsflüssigkeitsbehälters in den Hauptbremszylinder, die Dichtstopfen mit Bremsflüssigkeit benetzen.
- Bremsanlage entlüften.
Fahrzeuge mit Schaltgetriebe:
- Kupplungsbetätigung entlüften.
Anzugsdrehmomente

Bremskraftverstärker aus- und einbauen
Bremskraftverstärker aus- und einbauen, Linkslenker, Benzinmotor
Hinweis
Bei Beanstandungen zur Bremskraftverstärkung zuerst das Unterdrucksystem für Bremskraftverstärkung prüfen.
Benötigte Spezialwerkzeuge, Prüf- und Messgeräte sowie Hilfsmittel



Ausbauen:
- Bei Fahrzeugen mit codiertem Radio Codierung beachten, ggf. fragen.
- Batterie abklemmen.
Batterie im Motorraum
- Batterie ausbauen.
- Batterieträger ausbauen.

Batterie im Kofferraum
- Falls oberhalb der linken Aggregatelagerung eingebaut, Luftfilterträger ausbauen.
Luftfilterträger ist ähnlich wie dargestellt.
- Die Fremdstartbox mit Halter abschrauben und zur Seite legen.
Fortsetzung für alle Fahrzeuge:
- Ausreichend nicht fasernde Lappen im Bereich des Motors und des Getriebes auslegen.

- So viel Bremsflüssigkeit wie möglich mit dem Bremsen- Füll- und Entlüftungsgerät -VAS 5234- aus dem Bremsflüssigkeitsbehälter absaugen.
Bei Fahrzeugen mit Schaltgetriebe:

- Den Nachlaufschlauch -1- für Kupplungsgeberzylinder abziehen, mit dem Verschlusswerkzeug -T10249- verschließen und hochbinden oder den Nachlaufschlauch -1- für Kupplungsgeberzylinder mit einem handelsüblichen Werkzeug, z. B. Hazet 4590 abklemmen und dann abziehen.
Fortsetzung für alle Fahrzeuge:

- Elektrische Steckverbindungen vom -3-Warnkontakt für Bremsflüssigkeitsstand -F34-, falls vorhanden vom -2-Unterdruckgeber -G608- und vom -1-Bremslichtschalter -F- abziehen.
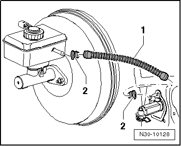
- Unterdruck im Bremskraftverstärker durch mehrmaliges Betätigen des Bremspedals abbauen.

- Den Unterdruckschlauch -1- aus dem Bremskraftverstärker -2- ziehen.
- Die Bremsleitungen am Hauptbremszylinder und an der Hydraulikeinheit abschrauben, die Bohrungen mit den Verschlussstopfen -1H0 698 311 A- verschließen.
- Die Staubkappen der Entlüftungsventile auf die Bremsleitungen stecken.
- Den oberen Teil der Wärmeschutzmatte an der Stirnwand abschrauben und umlegen.
- Die beiden Bremsleitungen zum Hauptbremszylinder aus den beiden Haltern clipsen und zur Seite legen.
- Schalttafelabdeckung Fahrerseite ausbauen.

- Knieairbag -1- ausbauen.

- Fußraumausströmer Fahrerseite ausbauen.
- Das Bremspedal vom Bremskraftverstärker trennen.

- Die Muttern -3 und 4- vom Bremskraftverstärker abschrauben.
- Den Bremskraftverstärker gegen die Klebekraft der Dichtung von der Stirnwand ziehen.
- Den Bremskraftverstärker vorsichtig aus dem Fahrzeug herausnehmen.
- Die Muttern für den Hauptbremszylinder abschrauben.
- Eventuell vorhandenes Wärmeschutzblech abbauen.
- Den Hauptbremszylinder vorsichtig aus dem Bremskraftverstärker herausnehmen.
Einbauen:
- Die Reste der Klebeverbindung am Bremskraftverstärker und der Stirnwand entfernen.
- Dazu mit einem Heißluftgebläse bei geringer Wärmezufuhr die Klebereste erwärmen und abziehen.
- Die Flächen gründlich reinigen.
- Der Einbau erfolgt in umgekehrter Reihenfolge.
Beim Einbau sind folgende Punkte zu beachten:
- Bremspedal mit Bremskraftverstärker verbinden.
- Nach dem Einbau sind die Bremsanlage und die Kupplung zu entlüften.
Anzugsdrehmomente

Bremskraftverstärker aus- und einbauen, Linkslenker, Turbo-Dieselmotor
Hinweis
Bei Beanstandungen zur Bremskraftverstärkung zuerst das Unterdrucksystem für Bremskraftverstärkung prüfen.
Benötigte Spezialwerkzeuge, Prüf- und Messgeräte sowie Hilfsmittel



Ausbauen:
- Bei Fahrzeugen mit codiertem Radio Codierung beachten, ggf. fragen.
- Motorabdeckung ausbauen.
- Batterie abklemmen.
Batterie im Motorraum
- Batterie ausbauen.
- Batterieträger ausbauen.

Batterie im Kofferraum
- Falls oberhalb der linken Aggregatelagerung eingebaut, Luftfilterträger ausbauen.
Luftfilterträger ist ähnlich wie dargestellt.
- Die Fremdstartbox mit Halter abschrauben und zur Seite legen.
Fortsetzung für alle Fahrzeuge:
- Luftführungsschlauch, Luftfiltergehäuse und Ansaugschlauch ausbauen.
- Ausreichend nicht fasernde Lappen im Bereich des Motors und des Getriebes auslegen.

- So viel Bremsflüssigkeit wie möglich mit dem Bremsen- Füll- und Entlüftungsgerät -VAS 5234- aus dem Bremsflüssigkeitsbehälter absaugen.
Bei Fahrzeugen mit Schaltgetriebe:

- Den Nachlaufschlauch -1- für Kupplungsgeberzylinder abziehen, mit dem Verschlusswerkzeug -T10249- verschließen und hochbinden oder den Nachlaufschlauch -1- für Kupplungsgeberzylinder mit einem handelsüblichen Werkzeug, z. B. Hazet 4590 abklemmen und dann abziehen.
Fortsetzung für alle Fahrzeuge:

- Elektrische Steckverbindungen vom -3-Warnkontakt für Bremsflüssigkeitsstand -F34-, falls vorhanden vom -2-Unterdruckgeber -G608- und vom -1-Bremslichtschalter -F- abziehen.
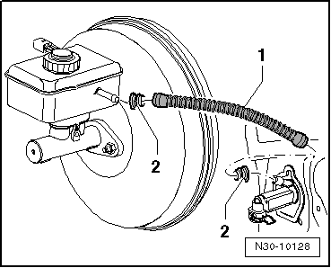
- Unterdruck im Bremskraftverstärker durch mehrmaliges Betätigen des Bremspedals abbauen.

- Den Unterdruckschlauch -1- aus dem Bremskraftverstärker -2- ziehen.

- Den Luftführungsschlauch -2- zwischen Luftführungsrohr -1- und Abgasturbolader ausbauen.

- Resonator -1- abschrauben-Pfeile-.
- Motoraufhängöse vom Zylinderkopf abbauen.
Bei Fahrzeugen mit 7 Gang-Doppelkupplungsgetriebe 0CW:
- Wählhebelseilzug und Seilzugwiderlager vom Getriebe abbauen.
Fortsetzung für alle Fahrzeuge:

- Die Steckerleiste mit den Steckerverbindungen -1 bis 4- an der Stirnwand abschrauben, abziehen und zur Seite legen.
- Die Bremsleitungen am Hauptbremszylinder und an der Hydraulikeinheit abschrauben, die Bohrungen mit den Verschlussstopfen -1H0 698 311 A- verschließen.
- Die Staubkappen der Entlüftungsventile auf die Bremsleitungen stecken.
- Den oberen Teil der Wärmeschutzmatte an der Stirnwand abschrauben und umlegen.
- Die beiden Bremsleitungen zum Hauptbremszylinder aus den beiden Haltern clipsen und zur Seite legen.
- Schalttafelabdeckung Fahrerseite ausbauen → Karosserie-Montagearbeiten Innen.

- Knieairbag -1- ausbauen → Karosserie-Montagearbeiten Innen.

- Fußraumausströmer Fahrerseite ausbauen → Heizung, Klimaanlage.
- Das Bremspedal vom Bremskraftverstärker trennen.

- Die Muttern -3 und 4- vom Bremskraftverstärker abschrauben.
- Den Bremskraftverstärker gegen die Klebekraft der Dichtung von der Stirnwand ziehen.
- Den Bremskraftverstärker vorsichtig aus dem Fahrzeug herausnehmen.
- Die Muttern für den Hauptbremszylinder abschrauben.
- Eventuell vorhandenes Wärmeschutzblech abbauen.
- Den Hauptbremszylinder vorsichtig aus dem Bremskraftverstärker herausnehmen.
Einbauen:
- Die Reste der Klebeverbindung am Bremskraftverstärker und der Stirnwand entfernen.
- Dazu mit einem Heißluftgebläse bei geringer Wärmezufuhr die Klebereste erwärmen und abziehen.
- Die Flächen gründlich reinigen.
- Der Einbau erfolgt in umgekehrter Reihenfolge.
Beim Einbau sind folgende Punkte zu beachten:
- Bremspedal mit Bremskraftverstärker verbinden.
- Nach dem Einbau sind die Bremsanlage und die Kupplung zu entlüften.
Anzugsdrehmomente

Bremskraftverstärker aus- und einbauen, Linkslenker, Bi-Turbo-Dieselmotor
- Motor ausbauen.
- So viel Bremsflüssigkeit wie möglich mit dem Bremsen- Füll- und Entlüftungsgerät -VAS 5234- aus dem Bremsflüssigkeitsbehälter absaugen.

- Elektrische Steckverbindungen vom -3-Warnkontakt für Bremsflüssigkeitsstand -F34-, falls vorhanden vom -2-Unterdruckgeber -G608- und vom -1-Bremslichtschalter -F- abziehen.
- Unterdruck im Bremskraftverstärker durch mehrmaliges Betätigen des Bremspedals abbauen.
- Die Bremsleitungen am Hauptbremszylinder und an der Hydraulikeinheit abschrauben, die Bohrungen mit den Verschlussstopfen -1H0 698 311 A- verschließen.
- Die Staubkappen der Entlüftungsventile auf die Bremsleitungen stecken.
- Den oberen Teil der Wärmeschutzmatte an der Stirnwand abschrauben und umlegen.
- Die beiden Bremsleitungen zum Hauptbremszylinder aus den beiden Haltern clipsen und zur Seite legen.
- Schalttafelabdeckung Fahrerseite ausbauen → Karosserie-Montagearbeiten Innen.

- Knieairbag -1- ausbauen → Karosserie-Montagearbeiten Innen.

- Fußraumausströmer Fahrerseite ausbauen → Heizung, Klimaanlage.
- Das Bremspedal vom Bremskraftverstärker trennen.

- Die Muttern -3 und 4- vom Bremskraftverstärker abschrauben.
- Den Bremskraftverstärker gegen die Klebekraft der Dichtung von der Stirnwand ziehen.
- Den Bremskraftverstärker vorsichtig aus dem Fahrzeug herausnehmen.
- Die Muttern für den Hauptbremszylinder abschrauben.
- Eventuell vorhandenes Wärmeschutzblech abbauen.
- Den Hauptbremszylinder vorsichtig aus dem Bremskraftverstärker herausnehmen.
Einbauen:
- Die Reste der Klebeverbindung am Bremskraftverstärker und der Stirnwand entfernen.
- Dazu mit einem Heißluftgebläse bei geringer Wärmezufuhr die Klebereste erwärmen und abziehen.
- Die Flächen gründlich reinigen.
- Der Einbau erfolgt in umgekehrter Reihenfolge.
Beim Einbau sind folgende Punkte zu beachten:
- Bremspedal mit Bremskraftverstärker verbinden.
- Nach dem Einbau sind die Bremsanlage und die Kupplung zu entlüften.
- Motor einbauen.
Anzugsdrehmomente

Bremskraftverstärker aus- und einbauen, Rechtslenker, Benzinmotor
Hinweis
Bei Beanstandungen zur Bremskraftverstärkung zuerst das Unterdrucksystem für Bremskraftverstärkung prüfen.

Benötigte Spezialwerkzeuge, Prüf- und Messgeräte sowie Hilfsmittel
Einbauort vom Bremskraftverstärker im Rechtslenker:
Ausbauen
- Bei Fahrzeugen mit codiertem Radio Codierung beachten, ggf. fragen.
- Geräuschdämpfung ausbauen → Karosserie-Montagearbeiten Außen.

- Halter -7- abbauen.
- Wärmeschutzblech -1- abnehmen.
- Katalysator ausbauen.

Fahrzeuge mit Schaltgetriebe:
- Falls vorhanden, die Wärmeschutzmanschette ausbauen.
- Dazu die Klemmscheibe -4- an der Stirnwand abbauen.
- Die Druckknöpfe -1- bis -3- an der Wärmeschutzmanschette öffnen.

- Nachlaufschlauch -2- für den Kupplungsgeberzylinder -3- am Bremsflüssigkeitsbehälter -4- abziehen.
- Nachlaufschlauch -2- für den Kupplungsgeberzylinder -3- mit Verschlusswerkzeug -T10249--1- oder mit den Schlauchklemmen bis 25 mm -3094- verschließen.
- Nachlaufschlauch -2- hochbinden.

Fortsetzung für alle Fahrzeuge:
- Ausreichend nicht fasernde Lappen im Bereich des Motors auslegen.
- So viel Bremsflüssigkeit wie möglich mit dem Bremsen- Füll- und Entlüftungsgerät -VAS 5234- aus dem Bremsflüssigkeitsbehälter absaugen.
Hinweis
Die Abbildung zeigt die Einbaulage der Hydraulikeinheit für ABS -N55- und dem Steuergerät für ABS -J104- in einem Linkslenker.

- Falls vorhanden, das Wärmeschutzblech -1- abbauen.
- Dazu die Schraube -3- herausdrehen.
- Wärmeschutzblech -1- aus den Aufnahmen -Pfeile- am Bremsflüssigkeitsbehälter -2- nach oben abziehen.

- Stecker -2- am Bremslichtschalter -F--1- entriegeln und abziehen.

- Die elektrische Steckverbindung -2- für den Warnkontakt für Bremsflüssigkeitsstand -F34- am Bremsflüssigkeitsbehälter -1- entriegeln und abziehen.

- Spreizniet -3- in -Pfeilrichtung- herausziehen.
- Bremsflüssigkeitsbehälter -1- nach oben vom Hauptbremszylinder -2- abziehen.

- Unterdruck im Bremskraftverstärker durch mehrmaliges Treten des Bremspedals abbauen.
- Unterdruckleitung -1- aus dem Bremskraftverstärker -2- herausziehen.

- Bremsleitungen -2- am Hauptbremszylinder -1- abschrauben.
- Bremsleitungen am Hauptbremszylinder abschrauben, Bremsleitungen mit Verschlussstopfen aus dem Reparatursatz Teilenummer 1H0 698 311 A verschließen.
- Muttern -Pfeile- abschrauben.
- Wärmeschutzblech -3- abnehmen.
- Den Hauptbremszylinder vorsichtig aus dem Bremskraftverstärker herausnehmen.
- Schalttafelabdeckung Fahrerseite ausbauen → Karosserie-Montagearbeiten Innen.
- Ablagefach Fahrerseite ausbauen → Karosserie-Montagearbeiten Innen.
- Das Bremspedal vom Bremskraftverstärker trennen.

- Die Muttern -Pfeile- am Lagerbock abschrauben.
- Aggregateträger absenken.
- Bremskraftverstärker nach unten durch die Aussparung der Abgasanlage entnehmen.
Einbauen
Der Einbau erfolgt in umgekehrter Reihenfolge. Dabei Folgendes beachten:
Hinweis
- Alle Klebereste an der Stirnwand und ggf. am Bremskraftverstärker entfernen. Dazu Klebestreifenentferner. -VAS 6349- mit Bohrmaschine bzw. Akkuschrauber oder Geradschleifer verwenden.
- Klebestreifenentferner -VAS 6349- langsam laufen lassen und gegen die Laufrichtung abreiben.
- Bremskraftverstärker vorsichtig einsetzen und Muttern anziehen.
- Beim Zusammensetzen des Hauptbremszylinders mit dem Bremskraftverstärker, auf richtigen Sitz der Druckstange im Hauptbremszylinder achten.
- Beim Zusammensetzen des Hauptbremszylinders mit dem Bremskraftverstärker, auf richtigen Sitz der Dichtung achten.
- Auf den richtigen Sitz der Dichtstopfen im Hauptbremszylinder achten.
- Vor dem Eindrücken des Bremsflüssigkeitsbehälters in den Hauptbremszylinder, die Dichtstopfen mit Bremsflüssigkeit benetzen.
- Bremspedal mit Bremskraftverstärker verbinden.
- Bremsanlage entlüften.
Fahrzeuge mit Schaltgetriebe:
- Kupplungsbetätigung entlüften.
Anzugsdrehmomente

Bremssattel hinten
UnterdrucksystemVolkswagen Passat Variant Betriebsanleitung > Fahrerassistenzsysteme. Anfahrassistenzsysteme: Auto-Hold-Funktion
Abb. 178 Im unteren Teil der Mittelkonsole:
Taste für Auto Hold.
Lesen und beachten Sie zuerst die einleitenden Informationen
und Sicherheitshinweise →Einleitung
zum Thema Die eingeschaltete Auto-Hold-Funktion sichert das Fahrzeug davor, wegzurollen.
Beispielsweise an einer Steigung, ...