Einbauorteübersicht - Stand-/Zusatzheizung

Montageübersicht - Stand-/Zusatzheizung Anbauteile

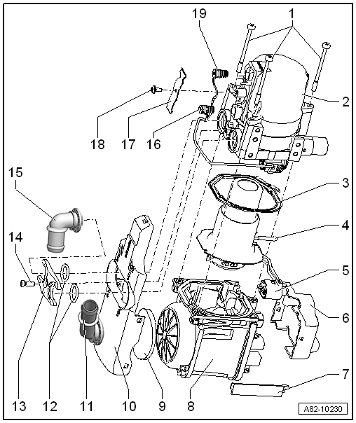
Montageübersicht - Stand-/Zusatzheizung innen

Hinweis
Das Steuergerät für Zusatzheizung -J364- und das Verbrennungsluftgebläse -V6- mit dem Gehäuse ist ein nicht zerlegbares Bauteil. Grund: Abdichtung zwischen Steuergerät für Zusatzheizung -J364- und Gehäuse.
Stand-/Zusatzheizung aus- und einbauen
Benötigte Spezialwerkzeuge, Prüf- und Messgeräte sowie Hilfsmittel



Hinweis
Ausbauen
Vor Beginn der Montagearbeiten führen Sie bitte folgende Punkte durch:
- → Fahrzeugdiagnosetester Anschließen und unter den Funktionen "Geführte Fehlersuche" oder "Geführte Funktionen" die Funktion "Heizgerät ersetzen" aufzurufen.
Hinweis
Falls möglich, werden über diese Funktion bestimmte Einstellungen und Anpassungen der zu ersetzenden Stand-/Zusatzheizung ausgelesen und abgespeichert. Diese Werte können dann für die neu einzubauende Stand-/Zusatzheizung gespeichert und wieder eingespielt werden → Fahrzeugdiagnosetester in den Funktionen "Geführte Fehlersuche" oder "Geführte Funktionen".
- Elektrische Verbraucher ausschalten.
- Zündung ausschalten.
- Zündschlüssel abziehen.
Hinweis
Alle Kabelbinder und sonstigen Befestigungen des elektrischen Leitungsstrangs, die beim Ausbau der Stand-/Zusatzheizung gelöst oder aufgeschnitten werden, sind beim Einbau an der gleichen Stelle wieder anzubauen.
- Geräuschdämpfung vorn ausbauen → Karosserie-Montagearbeiten Außen.
- Radhausschale vorn rechts ausbauen → Karosserie-Montagearbeiten Außen.
- Bei Fahrzeugen mit LED-Scheinwerfer, Scheinwerfer ausbauen → Elektrische Anlage.
Verbrennungsgefahr durch heiße Abgasanlage. Verbrennungen der Hände und anderer Körperteile möglich.Abgasanlage abkühlen lassen.
- Abgasanlage der Stand-/Zusatzheizung abbauen.
- Auffangwanne unterstellen.
Bei warmem Motor steht das Kühlsystem unter Überdruck. Verbrühungsgefahr durch heißen Dampf und heißes Kühlmittel. Verbrühungen der Haut und anderer Körperteile möglich.Schutzhandschuhe tragen.Schutzbrille tragen.Überdruck abbauen: Verschlussdeckel für Kühlmittelausgleichsbehälter mit Lappen abdecken und vorsichtig öffnen.
Weitere Sicherheitsmaßnahmen für Arbeiten am Kühlsystem.

- Kühlmittelschläuche mit Schlauchklemmen bis 25 mm -3094- abklemmen, Federbandschellen -1- lösen und Kühlmittelschläuche von den Kühlmittelrohren abziehen.
- Kraftstoffleitung am Clip -3- ausclipsen.
Hinweis
Sicherheitsmaßnahmen bei Arbeiten an der Kraftstoffversorgung beachten und → Rep.-Gr.00.
Das Kraftstoffsystem steht unter Druck.Verletzungsgefahr durch herausspritzenden Kraftstoff.Schutzbrille tragen.Schutzhandschuhe tragen.Druck abbauen: Sauberen Lappen um Verbindungsstelle legen und Verbindungsstelle vorsichtig öffnen.
- Kraftstoffleitung -4- von der Stand-/Zusatzheizung ausclipsen und am Schnellverschluss trennen. Kraftstoffleitungen mit geeigneten Stopfen verschließen.
- Befestigungsmuttern -2- losschrauben und Stand-/Zusatzheizung vom Längsträger abnehmen.

- Stand-/Zusatzheizung vorsichtig nach hinten schwenken und zuerst die Steckverbindung -1- (6-polig) entriegeln, um Überspannungen an den Steckern zu verhindern.
- Steckverbindung -2- entriegeln und Stand-Zusatzheizung abnehmen und vorsichtig ablegen.
Einbauen
Hinweis
Hinweis
Wird die Stand-/Zusatzheizung ersetzt, ist vor der ersten Inbetriebnahme ein → Fahrzeugdiagnosetester anzuschließen und unter der Funktion "Geführte Fehlersuche" sind verschiedene Einstellungen vorzunehmen (z. B. "Leitungsbefüllung").
Der Einbau erfolgt in umgekehrter Reihenfolge, dabei ist Folgendes zu beachten:
- Stand-/Zusatzheizung einbauen, Kühlmittelschläuche aufstecken, sichern - Schlauchklemmen bis 25 mm -3094-"NICHT" öffnen.

- Klemmschelle -3- öffnen und Schlauch -4- senkrecht nach oben halten.
- Schlauchklemme -2- öffnen bis Kühlmittel aus der Stand-/Zusatzheizung austritt.
- Schlauchklemme -2- schließen.
- Schlauchschelle -1- öffnen bis Kühlmittel aus dem Kühlmittelschlauch -4- austritt.
- Schlauchklemme -1- schließen.
- Schlauch -4- anbauen und Schlauchklemmen bis 25 mm -3094- abbauen.
- Kühlmittelkreislauf der Stand-/Zusatzheizung entlüften.
Hinweis
Ist bei der Montage mehr Luft ins Kühlsystem gelangt, ist der gesamte Kühlmittelkreislauf zu entlüften.
- Ereignisspeicher abfragen und Einträge löschen → Fahrzeugdiagnosetester in der Funktion "Geführte Fehlersuche".
- Stand-/Zusatzheizung starten und für mindestens 10 Minuten in Volllast betreiben, um ein vollständiges Entlüften der Kraftstoffleitung zu gewährleisten und die Funktion der Stand-/Zusatzheizung zu prüfen.
- Schalttafelausströmer auf maximale Heizleistung stellen.
Anzugsdrehmoment

Stand-/Zusatzheizung zerlegen und zusammenbauen
Benötigte Spezialwerkzeuge, Prüf- und Messgeräte sowie Hilfsmittel



- Stand-/Zusatzheizung ausbauen.
- Abdeckungen ausbauen.
- Halter für Umwälzpumpe -V55- und Luftansauggeräuschdämpfer ausbauen.

- Verrastung am Stecker -1- lösen und Stecker abziehen.
- Leitung aus Leitungsklemme -2- lösen.
- Schrauben -Pfeile- herausdrehen und Wärmetauscher vom Gebläsegehäuse in axiale Richtung der Verschraubung abziehen.
- Wärmetauscher innen und außen reinigen.
Brennereinheit zerlegen und zusammenbauen
Zusammenbauen
- Der Einbau erfolgt in umgekehrter Reihenfolge.
Anzugsdrehmoment

Luftansauggeräuschdämpfer aus- und einbauen
Ausbauen
- Elektrische Verbraucher ausschalten.
- Stand-/Zusatzheizung und Zündung ausschalten.
- Radhausschale vorn rechts Vorderteil ausbauen → Karosserie-Montagearbeiten Außen.
- Spreizclip -1- zusammendrücken und Luftansauggeräuschdämpfer -2- vom Alurohr herausdrehen. Alurohr vom Stutzen der Stand-/Zusatzheizung abdrehen.
Einbauen
- Der Einbau erfolgt in umgekehrter Reihenfolge.
- Spreizclip -1- des Luftansauggeräuschdämpfers -2- in Halter bis zur Verrastung einschieben.
Hinweis
Anzugsdrehmoment
Radhausschale; Radhausschale aus- und einbauen → Karosserie-Montagearbeiten Außen.

Umwälzpumpe -V55- aus- und einbauen
Benötigte Spezialwerkzeuge, Prüf- und Messgeräte sowie Hilfsmittel


Ausbauen
- Elektrische Verbraucher ausschalten.
- Stand-/Zusatzheizung und Zündung ausschalten.
- Radhausschale vorn rechts Vorderteil ausbauen → Karosserie-Montagearbeiten Außen.

- Kühlmittelschläuche mit Schlauchklemmen bis 25 mm -3094- abklemmen.
Bei warmem Motor steht das Kühlsystem unter Überdruck. Verbrühungsgefahr durch heißen Dampf und heißes Kühlmittel. Verbrühungen der Haut und anderer Körperteile möglich.Schutzhandschuhe tragen.Schutzbrille tragen.Überdruck abbauen: Verschlussdeckel für Kühlmittelausgleichsbehälter mit Lappen abdecken und vorsichtig öffnen.
- Klemmschellen -1- lösen und Kühlmittelschläuche von der Umwälzpumpe -V55--2- abziehen.
- Steckerverbindung -3- der Umwälzpumpe -V55--2- an der Stand-/Zusatzheizung oder an der Umwälzpumpe -V55- trennen (abhängig von der Ausführung).
- Umwälzpumpe -V55--2- vom Halter abziehen.
Einbauen

- Umwälzpumpe -V55--2- auf Halter aufschieben.
- Steckerverbindung -3- der Umwälzpumpe -V55--2- an der Stand-/Zusatzheizung oder der Umwälzpumpe -V55- aufstecken (abhängig von der Ausführung). Auf sichere Verrastung achten.
- Unteren Kühlmittelschlauch anbauen.
- Untere Schlauchklemmen bis 25 mm -3094--Pfeil- so lang öffnen bis Kühlmittel am oberen Rand der Umwälzpumpe -V55- ansteht.
- Oberen Kühlmittelschlauch anbauen.
- Auf korrekte Kabelverlegung und trockene Stecker achten.
Der restliche Einbau erfolgt in umgekehrter Reihenfolge.
- Wurde die Umwälzpumpe -V55- ersetzt so ist mit dem → Fahrzeugdiagnosetester über die Geführte Funktionen der Betriebsstundenzähler der Umwälzpumpe -V55- auf null zusetzen.
- Ereignisspeicher abfragen und Einträge löschen → Fahrzeugdiagnosetester in der Funktion "Geführte Fehlersuche".
- Ist bei der Montage mehr Luft ins Kühlsystem gelangt, ist der Kühlmittelkreislauf zu entlüften.
- Stand-/Zusatzheizung starten und für mindestens 10 Minuten in Volllast betreiben, um ein vollständiges Entlüften der Kraftstoffleitung zu gewährleisten und die Funktion der Stand-/Zusatzheizung zu prüfen.
Anzugsdrehmoment
Radhausschale; Radhausschale aus- und einbauen → Karosserie-Montagearbeiten Außen.

Abgasanlage aus- und einbauen
Ausbauen
Verbrennungsgefahr durch heiße Abgasanlage. Verbrennungen der Hände und anderer Körperteile möglich.Abgasanlage abkühlen lassen.
- Elektrische Verbraucher ausschalten.
- Stand-/Zusatzheizung und Zündung ausschalten.
- Geräuschdämpfung vorn ausbauen → Karosserie-Montagearbeiten Außen.
- Ladeluftschlauch (abhängig von der Motorvariante) ausbauen.
- Befestigungsmutter -1- von der Abgasanlage -2- losschrauben.
- Abgasanlage -2- in -Pfeilrichtung A- vom Gewindebolzen der Befestigungsmutter -1- abnehmen.
- Abgasanlage -2- in -Pfeilrichtung B- vom Heizgerät abnehmen.
Einbauen
Der Einbau erfolgt in umgekehrter Reihenfolge dabei ist Folgendes zu beachten:
Hinweis
Anzugsdrehmoment

Halter Stand-/Zusatzheizung aus- und einbauen
Ausbauen
- Elektrische Verbraucher ausschalten.
- Stand-/Zusatzheizung und Zündung ausschalten.
- Stand-/Zusatzheizung ausbauen.
- Schrauben -2- herausdrehen und Halter -1- abnehmen.
Einbauen
- Der Einbau erfolgt in umgekehrter Reihenfolge.
Anzugsdrehmoment

Abdeckungen für Steuergerät für Zusatzheizung -J364- aus- und einbauen
Ausbauen
- Elektrische Verbraucher ausschalten.
- Stand-/Zusatzheizung und Zündung ausschalten.
- Stand-/Zusatzheizung ausbauen.
- Stand-/Zusatzheizung soweit zerlegen, bis die Zugänglichkeit für die Abdeckungen für Steuergerät für Zusatzheizung -J364- gewährleistet ist.
- Kabelabdeckung -1- vom Gebläsegehäuse abnehmen.
- Abdeckungen für Steuergerät für Zusatzheizung -J364--2- ausclipsen -Pfeile- und abnehmen.
- Heizgerät zerlegen.
- Glühkerze mit Flammenüberwachung -Q8- aus- und einbauen.
- Temperaturfühler -G18- und Überhitzungsfühler -G189- aus- und einbauen.
Einbauen
- Dichtringe erneuern.

- Dichtringe -Pfeile- auf Beschädigung und richtigen Sitz prüfen.
- Dichtflächen auf Verschmutzung oder Beschädigung prüfen.
- Dichtringe zum Einbau der Abdeckung leicht mit Kühlmittel benetzen.
- Der restliche Einbau erfolgt in umgekehrter Reihenfolge.
Anzugsdrehmoment

Glühkerze mit Flammenüberwachung -Q8- aus- und einbauen
Ausbauen
- Stand-/Zusatzheizung zerlegen und zusammenbauen.
- Haltefeder -1- in -Pfeilrichtung- herausziehen.
- Halteblech -2- abnehmen.
- Glühkerze mit Flammenüberwachung -Q8--3- herausziehen.
Einbauen
Der Einbau erfolgt in umgekehrter Reihenfolge.
Hinweis

Einbaulage der Haltefeder -1- und dem Halteblech -2- beachten.
Anzugsdrehmoment

Temperaturfühler -G18- und Überhitzungsfühler -G189- aus- und einbauen
Ausbauen
- Stand-/Zusatzheizung zerlegen und zusammenbauen.
- Schraube -1- (4 Nm) herausdrehen und Haltefeder -2- abnehmen.
- Temperaturfühler -G18--3- und Überhitzungsfühler -G189--4- mit einer Spitzzange herausziehen.
Einbauen
Der Einbau erfolgt in umgekehrter Reihenfolge.
- Dichtungen erneuern.
- Dichtflächen prüfen und ggf. reinigen.
- Vor dem Einsetzen der Fühler die Dichtungen mit Kühlmittel benetzen.

- Beim Zusammenbau auf richtige Lage der Haltefeder -2- achten.
Hinweis
Die Fühler sind nicht einzeln austauschbar.
Anzugsdrehmoment

Steckerbelegung der Stand-/Zusatzheizung

Brennereinheit zerlegen und zusammenbauen
Zerlegen
- Stand-/Zusatzheizung ausbauen.
- Stand-/Zusatzheizung zerlegen.
- Dichtung -1- vom Gebläsegehäuse abnehmen.
- Steckverbindung -2- entriegeln und abnehmen.
- Tülle -3- mit geringem Druck auf das Brennstoffrohr -4- aus dem Gebläsegehäuse ziehen und dabei die Brennereinheit in senkrechte Richtung nach oben abheben.
Zusammenbauen

Dichtung -1- und Tülle -3- erneuern.
- Dichtflächen prüfen und ggf. reinigen.
Der Einbau erfolgt in umgekehrter Reihenfolge.
- Auf korrekte Lage der Dichtung -1- und sichere Verrastung der Steckverbindung -2- achten.
Hinweis
Auf korrekte Lage der Dichtung -1- und sichere Verrastung der Steckverbindung -2- achten, um einen Kurzschluss an den Anschlussleitungen zur Glühkerze mit Flammenüberwachung -Q8- zu verhindern.
Anzugsdrehmoment

Steuergerät für Zusatzheizung -J364- mit Verbrennungsluftgebläse -V6- aus- und einbauen
Ausbauen
- Brennereinheit zerlegen.
Einbauen
Der Einbau erfolgt in umgekehrter Reihenfolge.
Dichtung -1- und Tülle -3- erneuern.
- Dichtflächen prüfen und ggf. reinigen.
- Auf korrekte Lage der Dichtung -1- und sichere Verrastung der Steckverbindung -2- achten.
Hinweis
Auf korrekte Lage der Dichtung -1- und sichere Verrastung der Steckverbindung -2- achten, um einen Kurzschluss an den Anschlussleitungen zur Glühkerze mit Flammenüberwachung -Q8- zu verhindern.
Anzugsdrehmoment

Einbauorteübersicht
- Stand-/Zusatzheizung
Kühlmittelkreislauf
mit Stand-/ZusatzheizungVolkswagen Passat Variant Betriebsanleitung > Umfeldbeobachtungssystem (Front Assist): Umfeldbeobachtungssystem (Front Assist) bedienen
Lesen und beachten Sie zuerst die einleitenden Informationen
und Sicherheitshinweise →Einleitung
zum Thema Das Umfeldbeobachtungssystem (Front Assist) und die Vorwarnung sind
nach dem Einschalten der Zündung → Motor anlassen und abstellen automatisch
aktiv.
Bei deaktivierte ...